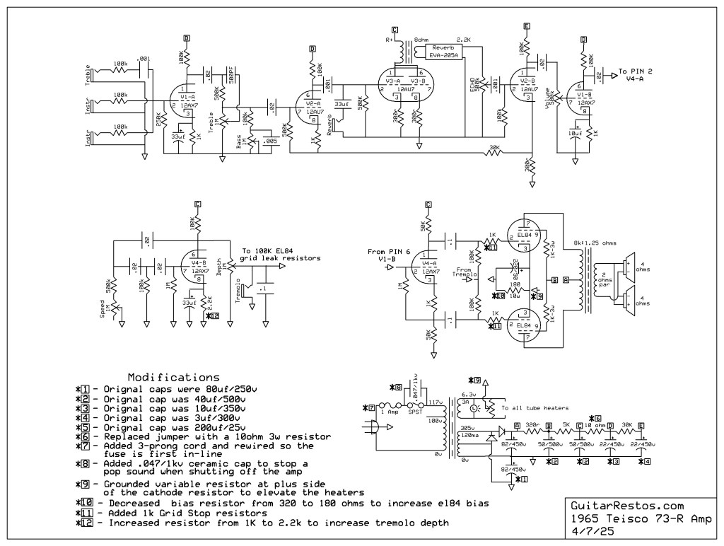
This cool old Teisco came into the shop in good shape for it’s age. The devil is in the details with these old amps when you fix them up, it takes a lot of time to clean them and try and make them look and work more like when they were new. This one is in progress and waiting on parts to wrap it up.






